



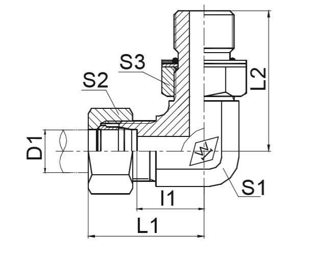
1CH9/1DH9-OG 90度公制螺紋可調(diào)向

| 系列 | 代號 PART NO. |
螺紋 THREAD | 管子外徑 TUBE O.D | 尺寸 DIMENSIONS | 重量 克/件 |
工作壓力 (bar) | |||||||
|---|---|---|---|---|---|---|---|---|---|---|---|---|---|
| E | F | D1 | L1 | L2 | L3 | L4 | S1 | S2 | S3 | ||||
|
L
|
1CH9-12-10OG
|
M12X1.5
|
M10X1
|
06
|
14
|
21
|
27
|
29
|
14
|
14
|
14
|
33
|
315
|
|
1CH9-14-12OG
|
M14X1.5
|
M12X1.5
|
08
|
16
|
23
|
32
|
31
|
14
|
17
|
17
|
52
|
315
|
|
|
1CH9-16-14OG
|
M16X1.5
|
M14X1.5
|
10
|
17
|
24
|
35
|
32
|
19
|
19
|
19
|
66
|
315
|
|
|
1CH9-18-16OG
|
M18X1.5
|
M16X1.5
|
12
|
19
|
26
|
36
|
34
|
19
|
22
|
22
|
91
|
250
|
|
|
1CH9-22-18OG
|
M22X1.5
|
M18X1.5
|
15
|
21
|
28
|
41
|
36
|
22
|
24
|
27
|
132
|
250
|
|
|
1CH9-26-22OG
|
M26X1.5
|
M22X1.5
|
18
|
24
|
31.5
|
45
|
40
|
27
|
27
|
32
|
197
|
250
|
|
|
1CH9-30-27OG
|
M30X2
|
M27X2
|
22
|
28
|
35.5
|
49
|
44
|
30
|
32
|
36
|
302
|
160
|
|
|
1CH9-36-33OG
|
M36X2
|
M33X2
|
28
|
31
|
38.5
|
52
|
47
|
36
|
41
|
41
|
466
|
160
|
|
|
S
|
1DH9-14-12OG
|
M14X1.5
|
M12X1.5
|
06
|
15
|
22
|
32
|
30
|
14
|
17
|
17
|
54
|
315
|
|
1DH9-16-14OG
|
M16X1.5
|
M16X1.5
|
08
|
17
|
24
|
36
|
32
|
19
|
19
|
19
|
68
|
315
|
|
|
1DH9-18-16OG
|
M18X1.5
|
M16X1.5
|
10
|
18
|
25.5
|
38
|
34
|
19
|
22
|
22
|
93
|
250
|
|
|
1DH9-20-18OG
|
M20X1.5
|
M18X1.5
|
12
|
22
|
29.5
|
43
|
38
|
22
|
24
|
24
|
126
|
250
|
|
|
1DH9-22-20OG
|
M22X1.5
|
M20X1.5
|
14
|
22
|
30
|
40
|
40
|
22
|
27
|
27
|
161
|
250
|
|
|
1DH9-24-22OG
|
M24X1.5
|
M22X1.5
|
16
|
25
|
33.5
|
49
|
43
|
27
|
27
|
30
|
183
|
250
|
|
|
1DH9-30-27OG
|
M30X2
|
M27X2
|
20
|
28
|
38.5
|
55
|
49
|
30
|
32
|
36
|
309
|
250
|
|
|
1DH9-36-33OG
|
M36X2
|
M33X2
|
25
|
30
|
42
|
60
|
54
|
36
|
41
|
46
|
487
|
250
|
|
|
1DH9-42-42OG
|
M42X2
|
M42X2
|
30
|
36
|
49.5
|
68
|
62
|
46
|
50
|
50
|
773
|
160
|
|
注:如需帶卡套及卡套螺母整套訂貨,則請在代號后加“RN”,如1CH9-30-27OG/RN。
Note: In case if you are interested to order the adapter in complete set with cutting ring and nut ,it is necessary to insert suffix "RN" after our part NO,for example1CH9-30-27OG/RN.